



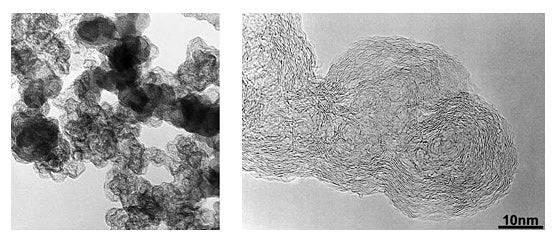
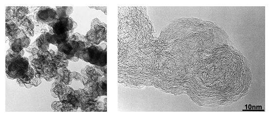
The Cell Lab Ketjenblack EC600JD is a highly conductive carbon black engineered for advanced lithium-ion battery electrodes, conductive polymers, and catalytic systems. Owing to its unique nanostructured morphology and extraordinarily high BET surface area (~1270 m²/g), it achieves excellent conductivity with minimal loading — often requiring only one-sixth the dosage of traditional conductive carbons to reach equivalent performance.
With nanometre-scale primary particles (~20 nm), low ash content (≤0.1%), and outstanding DBP absorption (480–510 cm³/100 g), Ketjenblack EC600JD ensures uniform dispersion and strong interfacial bonding in electrode slurries and polymer composites. It is widely used in lithium-ion, sodium-ion, and solid-state battery research, as well as electrocatalysis and conductive resin formulations.
Ultra-High Surface Area (~1270 m²/g)
Delivers exceptional conductivity and active surface contact at minimal loading levels.
Nanometre Particle Size (~20 nm)
Promotes uniform dispersion within electrode and composite matrices for consistent conductivity.
Low Impurity Content
Ash ≤0.1% and volatiles ≤1.0% ensure chemical purity and prevent parasitic reactions during cycling.
Excellent Absorption Capacity
High DBP absorption (480–510 cm³/100 g) supports strong binder adhesion and robust network formation.
Versatile Functional Applications
Ideal for use in batteries, supercapacitors, catalysts, conductive coatings, and polymer composites.
| Property | Value |
|---|---|
| Appearance | Black powder |
| Particle Size (D50) | ~20 nm |
| Ash Content | ≤0.1% |
| Moisture Content | ≤0.5% |
| Bulk Density | 100–120 kg/m³ |
| DBP Absorption | 480–510 cm³/100g |
| BET Specific Surface Area | 1270 m²/g |
| pH Value | 9.0–10.5 |
| Volatiles | ≤1.0% |
| Grit Content | ≤30 mg/kg |
| Iodine Absorption | 1000–1100 mg/g |
| Packing Size | 50g per bottle |
Lithium-ion, sodium-ion, and solid-state battery electrodes
Conductive additive for polymer composites and coatings
Supercapacitor and double-layer capacitor materials
Catalyst support in fuel cell and electrochemical systems
Conductive fillers in resins, adhesives, and sealants
Q1: What makes Ketjenblack EC600JD superior to other conductive carbons?
Its extremely high surface area and porous network enable conductivity at far lower loading levels, improving electrode energy density.
Q2: Can this be used in polymer or resin systems?
Yes. It provides effective conductivity enhancement for polymer-based composites, resins, and adhesives.
Q3: How should it be dispersed in electrode slurry?
Use a high-shear mixer or ultrasonic bath for uniform distribution with NMP or aqueous binders (e.g. PVDF, SBR/CMC).
Q4: Is it compatible with solid-state batteries?
Yes. Its low impurity content and stable morphology make it ideal for solid or hybrid electrolytic systems.
Q5: What is the recommended storage condition?
Store in a dry, inert environment away from moisture and direct sunlight to maintain performance stability.
You may return most new, unopened items within 30 days of delivery for a full refund. We'll also pay the return shipping costs if the return is a result of our error (you received an incorrect or defective item, etc.).
You should expect to receive your refund within four weeks of giving your package to the return shipper, however, in many cases you will receive a refund more quickly. This time period includes the transit time for us to receive your return from the shipper (5 to 10 business days), the time it takes us to process your return once we receive it (3 to 5 business days), and the time it takes your bank to process our refund request (5 to 10 business days).
If you need to return an item, simply login to your account, view the order using the "Complete Orders" link under the My Account menu and click the Return Item(s) button. We'll notify you via e-mail of your refund once we've received and processed the returned item.
We can ship to virtually any address in the world. Note that there are restrictions on some products, and some products cannot be shipped to international destinations.
When you place an order, we will estimate shipping and delivery dates for you based on the availability of your items and the shipping options you choose. Depending on the shipping provider you choose, shipping date estimates may appear on the shipping quotes page.
Please also note that the shipping rates for many items we sell are weight-based. The weight of any such item can be found on its detail page. To reflect the policies of the shipping companies we use, all weights will be rounded up to the next full pound.
Thanks for subscribing!
This email has been registered!